وتشمل سلسلة HH15 فصل التبديل مجموعة الصمامات وفصل التبديل (يشار إليها فيما يلي باسم التبديل) سلسلة QSA، سلسلة QA وسلسلة QP، والتي تنطبق أساسا على دوائر التوزيع والدوائر الحركية مع ارتفاع التيار ماس كهربائى، كما التبديل الرئيسي أو التبديل الرئيسي تعمل بشكل غير منتظم باليد. يمكن استخدام مفاتيح سلسلة QSA لحماية الدائرة القصيرة.
يتوافق المفتاح مع معايير GB / T 14048.3 و IEC60947-3 ويستخدم على نطاق واسع في مجموعات كاملة منخفضة الجهد من نوع الدرج العالي.
ويجب ألا تزيد درجة حرارة الهواء المحيط عن +40 درجة مئوية، وألا تقل عن -5 درجة مئوية، وألا يتجاوز متوسط درجة الحرارة في غضون 24 ساعة +35 درجة مئوية.
يجب ألا يتجاوز ارتفاع موقع التثبيت 2000 متر.
وعندما تكون درجة حرارة الهواء المحيط +40 درجة مئوية، يجب ألا تتجاوز الرطوبة النسبية 50 في المائة. وفي درجة حرارة أقل، يسمح بزيادة الرطوبة النسبية، على سبيل المثال، بنسبة 90 في المائة عند درجة حرارة 20 درجة مئوية. وتتخذ تدابير خاصة للتكثيف الناجم أحيانا عن تغير درجة الحرارة.
مستوى التلوث في البيئة المحيطة هو 3 أقطاب.
يجب تثبيت المفتاح في مكان دون اهتزاز كبير واهتزاز صدمة وغزو المطر والثلوج. وفي الوقت نفسه، يجب أن يكون موقع التركيب خالياً من الوسائط الخطرة المتفجرة، وأن تكون الوسائط خالية من الغاز والغبار الكافيين لتآكل المعادن وتلف العزل.
يعتمد المفتاح على وضع تشغيل الدوران الأمامي ، والذي يتكون من آلية التشغيل ، ونظام الاتصال ، والمقبض ، إلخ.
يعتمد المفتاح هيكلًا مغلقًا تمامًا ويتم تشغيله عن طريق تخزين الطاقة الربيعية. سرعة الإغلاق والكسر للمفتاح مستقلة عن سرعة عمل المشغل ، وذلك لضمان سلامة المشغلين والمعدات.
التبديل هو نظام اتصال مع أداء فريد من نوعه. يتم تشكيل نظام الاتصال المتحرك مباشرة من شريط النحاس الأحمر. قطعة الاتصال المتحركة هي من هيكل الجسر ولها وظيفة التكيف التلقائي ، بحيث يمكن أن تضمن بشكل فعال اتصال الخط عند الاتصال الثابت ، وبالتالي ضمان استقرار ارتفاع درجة حرارة المنتج.
يمكن تثبيت مقبض التشغيل على باب خزانة التبديل. عندما يتم إغلاق باب الخزانة ، يتناسب المقبض مع رافعة التشغيل للمفتاح. عندما يكون المفتاح في الموضع المغلق ، يتم تشابك المقبض مع باب الخزانة لمنع فتح باب الخزانة.
تم تجهيز المفتاح أيضًا بعمود تمديد ، ويمكن تخصيص الطول الخاص بشكل منفصل.
اقرأ عن
| المواصفات | البريد الإلكتروني: [email protected] 125 | البريد الإلكتروني: [email protected] 160 | البريد الإلكتروني: [email protected] 250 | البريد الإلكتروني: [email protected] ٤٠٠ | البريد الإلكتروني: [email protected] ٦٠٣ | البريد الإلكتروني: [email protected] ٨٠٠ | البريد الإلكتروني: [email protected] ألف | البريد الإلكتروني: [email protected] ٥٠٥٠ | |
| عدد الأقطاب الرئيسية | 3،3N، 4 | 3،3N، 4 | 3،3N، 4 | 3،3N، 4 | 3،3N، 4 | 3،3N، 4 | 3،3N، 4 | 3،3N، 4 | |
| تصنيف العزل الجهد Uأولا | م ع: م خ م: | ألف | ألف | ألف | ألف | ألف | ألف | ألف | ألف |
| تصنيف دفعة تحمل الجهد Uimp | ك.ف | 12 | 12 | 12 | 12 | 12 | 12 | 12 | 12 |
| تصنيفها العمل الجهد UE | م ع: م خ م: | ٤١٥/٦٩٠ فولت | ٤١٥/٦٩٠ فولت | ٤١٥/٦٩٠ فولت | ٤١٥/٦٩٠ فولت | ٤١٥/٦٩٠ فولت | ٤١٥/٦٩٠ فولت | ٤١٥/٦٩٠ فولت | ٤١٥/٦٩٠ فولت |
| وافق التدفئة الحالية | (أ) | 125 | 160 | 250 | ٤٠٠ | ٦٠٣ | ٨٠٠ | ألف | ٥٠٥٠ |
| تصنيف العمل الحالي | (أ) | 125/ 100 | 160/ 100 | 250/ 200 | ٤٠٠٣١٥ | ٦٠٣٥٠٠ | ٨٠٠٥٠٠ | ألف٨٠٠/٨٠٠ | ٥٠٥٠/ 1000 |
| تصنيف الحد من ماس كهربائى الحالي | كا | 100/50 | 100/50 | 100/50 | 100/50 | 100/50 | 100/50 | 100/50 | 100/50 |
| الحياة الميكانيكية | الوقت | ١٥ ألف | ١٢٠٠٠ | ١٢٠٠٠ | ١٢٠٠٠ | ثلاثة آلاف | ثلاثة آلاف | ألف | ألف |
| الحياة الكهربائية | الوقت | ألف | 300 | 300 | 300 | 200 | 150 | ١٠٠ | ١٠٠ |
| حجم الصمامات | س | 00 | 00 | 1 ف-3 | 2 ف-4 | 3 ف-3 | 3 ف-3 | RSO (RS3)-1250 | 4 خ ع (رأ) |
| عزم التشغيل | ن.م.م | ٥-٥ | 16 | 16 | 16 | 30 | 30 | 38 | 38 |
| التيار الحراري المتفق عليه للاتصال المساعدسإيث 400V، AC-15A | 4 خ ع (رأ) | 4 خ ع (رأ) | 4 خ ع (رأ) | 4 خ ع (رأ) | 4 خ ع (رأ) | 4 خ ع (رأ) | 4 خ ع (رأ) | 4 خ ع (رأ) | |
| المواصفات | البريد الإلكتروني: [email protected] 125 | البريد الإلكتروني: [email protected] 160 | البريد الإلكتروني: [email protected] 200 | البريد الإلكتروني: [email protected] ٤٠٠ | البريد الإلكتروني: [email protected] ٦٠٣ | البريد الإلكتروني: [email protected] ألف | البريد الإلكتروني: [email protected] 1 ف-3250 | البريد الإلكتروني: [email protected] ١٦٠٠ | |
| عدد الأقطاب الرئيسية | 3،3N، 4 | 3،3N، 4 | 3،3N، 4 | 3،3N، 4 | 3،3N، 4 | 3،3N، 4 | 3،3N، 4 | 3،3N، 4 | |
| تصنيف العزل الجهد UI | م ع: م خ م: | ألف | ألف | ألف | ألف | ألف | ألف | ألف | ألف |
| تصنيف دفعة تحمل الجهد Uimp | ك.ف | 12 | 12 | 12 | 12 | 12 | 12 | 12 | 12 |
| تصنيفها العمل الجهد UE | م ع: م خ م: | ٤١٥/٦٩٠ فولت | ٤١٥/٦٩٠ فولت | ٤١٥/٦٩٠ فولت | ٤١٥/٦٩٠ فولت | ٤١٥/٦٩٠ فولت | ٤١٥/٦٩٠ فولت | ٤١٥/٦٩٠ فولت | ٤١٥/٦٩٠ فولت |
| وافق التدفئة الحالية | (أ) | 125 | 160 | 2 ف-400 | ٤٠٠ | ٦٠٣ | ألف | 1 ف-3250 | 1 ف-3600 |
| تصنيف العمل الحالي: AC-23B | (أ) | 12 | 160 | 2 ف-4٠٠/١٦٠ | ٤٠٠ | ٦٠/٦٠/4 خ ع (رأ)00 | 1000/630 | 1250/1000 | 1 ف-3٦٠٠/ألف |
| تصنيف قصير الوقت تحمل الحالي ICW | كا / 1S | 5 خ ع (رأ) | 5 خ ع (رأ) | 5 خ ع (رأ) | ١٢-٦ | ١٢-٦ | 25 | 50 | 50 |
| الحياة الميكانيكية | الوقت | ١٥ ألف | 1 ف-35 خ ع (رأ)ألف | ١٢٠٠٠ | 3000 | ثلاثة آلاف | ثلاثة آلاف | ألف | ألف |
| الحياة الكهربائية | الوقت | ألف | (10)00 | (10)00 | 300 | 3 ف-300 | 150 | ١٠٠ | ١٠٠ |
| عزم التشغيل | ن.م.م | ٥-٥ | ٥-٥ | ٥-٥ | 16 | 16 | 30 | 38 | 38 |
| التيار الحراري المتفق عليه للاتصال المساعدإيث 400V، AC-15A | 4 خ ع (رأ) | 4 خ ع (رأ) | 4 خ ع (رأ) | 4 خ ع (رأ) | 4 خ ع (رأ) | 4 خ ع (رأ) | 4 خ ع (رأ) | 4 خ ع (رأ) | |
| المواصفات | البريد الإلكتروني: [email protected] 250 | البريد الإلكتروني: [email protected] ٤٠٠ | البريد الإلكتروني: [email protected] ٦٠٣ | البريد الإلكتروني: [email protected] ألف | البريد الإلكتروني: [email protected] ٥٠٥٠ | البريد الإلكتروني: [email protected] 1 ف-36 خ ع (رأ)00 | البريد الإلكتروني: [email protected] 200صفر | البريد الإلكتروني: [email protected] 2500 | |
| عدد الأقطاب الرئيسية | 3،3N، 4 | 3،3N، 4 | 3،3N، 4 | 3،3N، 4 | 3،3N، 4 | 3،3N، 4 | 3،3N، 4 | 3،3N، 4 | |
| تصنيف العزل الجهد UI | م ع: م خ م: | ألف | ألف | ألف | ألف | ألف | ألف | ألف | ألف |
| تصنيف دفعة تحمل الجهد Uimp | ك.ف | 12 | 12 | 12 | 12 | 12 | 12 | 12 | 12 |
| تصنيفها العمل الجهد UE | م ع: م خ م: | ٤١٥/٦٩٠ فولت | ٤١٥/٦٩٠ فولت | ٤١٥/٦٩٠ فولت | ٤١٥/٦٩٠ فولت | ٤١٥/٦٩٠ فولت | ٤١٥/٦٩٠ فولت | ٤١٥/٦٩٠ فولت | ٤١٥/٦٩٠ فولت |
| وافق التدفئة الحالية | (أ) | 250 | ٤٠٠ | ٦٠٣ | ألف | ٥٠٥٠ | ١٦٠٠ | عام 2000 | ٢٥٠٠ |
| تصنيف العمل الحالينموذج: 690V: ac-21 ف-3باء | (أ) | 250 | ٤٠٠ | ٦٠٣ | ألف | ٥٠٥٠ | ١٦٠٠ | عام 2000 | ٢٥٠٠ |
| تصنيف العمل الحالي415V: AC-22 ف-4باء | (أ) | 250 | ٤٠٠ | ٦٠٣ | ألف | ٥٠٥٠ | ١٦٠٠ | عام 2000 | ٢٥٠٠ |
| تصنيف قصير الوقت تحمل ICW الحالي | كا / 1S | 8 | 2 ف-45 خ ع (رأ) | 2 ف-45 خ ع (رأ) | 25 | 50 | 50 | 60 | 60 |
| الحياة الميكانيكية | الوقت | ١٥ ألف | ١٥ ألف | ١٢٠٠٠ | 12ألف | ثلاثة آلاف | ثلاثة آلاف | 500 | عام 2000 |
| الحياة الكهربائية | الوقت | ألف | ألف | 200 | 150 | ١٠٠ | ١٠٠ | ١٠٠ | ١٠٠ |
| عزم التشغيل | ن.م.م | 16 | 16 | 16 | 30 | 38 | 38 | 38 | 38 |
| التيار الحراري المتفق عليه للاتصال المساعدإيث 400V، AC-15A | 4 خ ع (رأ) | 4 خ ع (رأ) | 4 خ ع (رأ) | 4 خ ع (رأ) | 4 خ ع (رأ) | 4 خ ع (رأ) | 4 خ ع (رأ) | 4 خ ع (رأ) | |
يجب أن تشير وحدة الطلب إلى شكل وخصائص المفتاح ، ومستوى الجهد ، والمستوى الحالي ، وعدد الأعمدة ، ووضع التشغيل والكمية ، وما إلى ذلك لأوامر خاصة ، يرجى الرجوع إلى قسمنا الفني Disconnector Fuse Disconnector Fuse
على سبيل المثال:
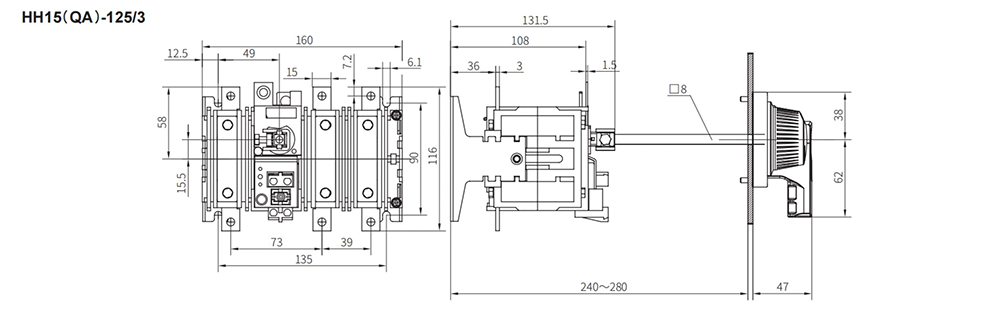
HH15 (QSA) -125 / 3 400V الصمامات الحالية 100A 10 مجموعات
HH15 (QA) -200/3 380V 10 مجموعات
HH15 (QP) -2000/32 380V 10 مجموعات
المعزل التبديل أو إيقاف التشغيل
فهم وظيفة مفتاح العزل
ويجب اتخاذ الترتيبات اللازمة لعزل إمدادات الطاقة لأغراض الصيانة أو الإصلاح أو الاستخدام في حالات الطوارئ. هذا هو المكان الذي يأتي فيه مفتاح العزلة في اللعب. في هذه المقالة ، سنلقي نظرة فاحصة على الغرض من مفاتيح قطع الاتصال وأعمالها.
 ؛
ما هو مفتاح العزل؟
يعد مفتاح العزل ، المعروف أيضًا باسم مفتاح قطع الاتصال أو مفتاح المعزل ، جزءًا مهمًا من الدائرة الكهربائية. وظيفتها الرئيسية هي التأكد من أن الدائرة أو الجهاز معزول تمامًا عن مصدر الطاقة الخاص به.
 ؛
كيف يعمل مفتاح العزل؟
تعمل مفاتيح العزل عن طريق فصل الدائرة فعليًا عن مصدر الطاقة. إنه يوفر بشكل أساسي انقطاعًا في الاستمرارية الكهربائية ، مما يمنع تدفق التيار الكهربائي. وهذا يضمن عدم نقل أي تيار إلى الدائرة أو المعدات التي تحتاج إلى إصلاح.
 ؛
الملامح الرئيسية لمفاتيح العزل:
واحد.التشغيل اليدوي:عادة ما يتم تشغيل مفاتيح العزل يدويًا. هذا يعني أنه يجب على الشخص تنشيط المفتاح يدويًا لقطع الطاقة.
-إثنانالعزلة المرئية:تم تصميم مفتاح العزل لعرض حالته بوضوح. هذا يضمن أن أي شخص قريب يمكنه بسهولة تحديد ما إذا كانت الدائرة معزولة.
▁3 .آلية الحجب:تم تجهيز العديد من مفاتيح العزل بآلية حظر. وهذا يسمح للموظفين المصرح لهم بقفل المفتاح في وضع الإيقاف ، مما يمنع إعادة تنشيط الدائرة العرضية أو غير المصرح بها.
▁4 .أقطاب متعددة:تحتوي بعض مفاتيح قطع الاتصال على أقطاب متعددة ، مما يعني أنها يمكن أن تفصل مصادر متعددة للطاقة في نفس الوقت. تثبت هذه الميزة أنها مفيدة بشكل خاص في الأنظمة الكهربائية المعقدة.
 ؛
سيناريوهات التطبيق من عزل التبديل:
 ؛
تستخدم مفاتيح العزل على نطاق واسع في مختلف الصناعات والأماكن ، بما في ذلك:
-إثنانالمباني التجارية:في المباني التجارية ، يتم استخدام مفاتيح العزل لعزل الطاقة إلى مناطق أو معدات محددة لضمان سلامة موظفي الصيانة.
▁3 .البيئة السكنية:تستخدم مفاتيح العزل في المنازل لقطع الطاقة عن دائرة معينة أثناء الإصلاحات أو التجديدات.
▁4 .حالات الطوارئ:في حالة حدوث حالة طوارئ مثل حريق أو عطل كهربائي ، توفر مفاتيح العزل طريقة سريعة وفعالة لقطع الطاقة عن المنطقة المصابة.
بشكل عام ، تعد مفاتيح العزل أجهزة أمان أساسية في مجال الهندسة الكهربائية. والغرض الرئيسي منه هو عزل الدائرة أو المعدات عن إمدادات الطاقة الخاصة بها لضمان سلامة موظفي الصيانة والمعدات أثناء الصيانة أو حالات الطوارئ.
انقر لمشاهدة
انقر لمشاهدة
انقر لمشاهدة
اترك سؤالك
GRL شركة كهربائيةالمحدودة هي واحدة من الشركات الرائدة في سوق المتوسطة والراقية للكهرباء منخفضة الجهد في الصين.






























