الوصف
DNHLX-PV2 / 1 DC Combiner Box مناسب للعاكس (أقصى جهد للإدخال DC550V / DC1000V ، 2 قناة إدخال PV ، قناة إخراج 1 ، عاكس MPPT واحد). يتكون جسم الصندوق من مواد هندسية PVC ، مع اختبار لمثبطات الحريق ، وارتفاع درجة الحرارة ، ومكافحة التأثير ، ومكافحة الأشعة فوق البنفسجية ، وغيرها من الاختبارات. درجة حماية IP65.
التصميم والتكوين ، بما يتفق بدقة مع “المواصفات الفنية لمعدات الوصلات الضوئية” CGC / GF 037: 2014. تزويد المستخدمين بمنتجات نظام ضوئية آمنة وموجزة وجميلة وقابلة للتطبيق.
ميزات
-
موثوقية عالية
يمكن أن تكون مجهزة معالصمامات DCأ-DC حماية الطفرة الأجهزة وقواطع الدوائر DCأوDC تحميل مفاتيح قطع الاتصاللضمان حماية قوية وموثوقية.
-
القدرة على التكيف قوية
تصميم IP65 ، ماء ، مكافحة الغبار ومكافحة الأشعة فوق البنفسجية. اختبار صارم لدرجات الحرارة العالية والمنخفضة ، وتستخدم على نطاق واسع.
التثبيت البسيط ، وأسلاك النظام المبسطة ، والأسلاك المريحة.
يتكون جسم الصندوق من الفولاذ المدلفن على البارد والمواد المعدنية الأخرى
-
تكوين مرن
تستخدم لوحدات الطاقة الشمسية السيليكون الكريستال واحد ، وحدات الطاقة الشمسية السيليكون الكريستالات ، وحدات الطاقة الشمسية رقيقة الفيلم.
التصنيف الحالي لـالصمامات الضوئيةأ-قاطع الدائرةأ-تحميل عزل التبديلتم تعديلها.
انقر لمشاهدة Grlحامل الصماماتالمنتج & GT; & GT;
سيناريوهات التطبيق
- النظام الشمسي السكني
يوفر حلول الطاقة الشمسية الفعالة والآمنة لأصحاب المنازل.
- أنظمة الطاقة الشمسية التجارية
مثالية للمنشآت الشمسية على السطح في المباني التجارية ، مما يعزز استخدام الطاقة.
- أنظمة الطاقة الشمسية الصناعية
مناسبة لمشاريع الطاقة الشمسية الصناعية على نطاق واسع ، وتقدم دعمًا موثوقًا للطاقة.
باراميتر التقنية
| نموذج | DHLX-PV2 / 1 |
المعلمة الكهربائية
| نظام أقصى جهد DC | 550 |
| الحد الأقصى للإدخال الحالي لكل سلسلة | 15A |
| أقصى سلاسل الإدخال | 2 ف-4 |
| الحد الأقصى للإخراج التبديل الحالي | 20A / 32A |
| عدد العاكس MPPT | 1 ف-3 |
| عدد سلاسل الإخراج | 1 ف-3 |
الحماية من الصواعق
| فئة الاختبار | حماية الصف الثاني |
| تيار التفريغ الاسمي | 20KA |
| الحد الأقصى للتفريغ الحالي | 40KA |
| مستوى حماية الجهد | 2.8KV |
| أقصى جهد التشغيل المستمر UC | 630V |
| أقطاب | |
| خصائص الهيكل | وحدة دفع المكونات |
النظام
| درجة الحماية | Ip65 |
| تبديل الإخراج | دس عزل التبديل (قياسي) / دس قاطع الدائرة (اختياري) |
| SMC4 موصلات للماء | المعيار |
| PV DC فيوز | المعيار |
| PV حامي الطفرة | المعيار |
| وحدة الرصد | اختياري |
| منع الصمام الثنائي | اختياري |
| مربع المواد | بولي كلوريد الفينيل |
| طريقة التثبيت | الجدار تصاعد نوع |
| درجة حرارة التشغيل | ~ 25 درجة مئوية + 55 درجة مئوية |
| ارتفاع درجة الحرارة | 2 كم |
| الرطوبة النسبية المسموح بها | 0-95٪، لا التكثيف |
المعلمة الميكانيكية
| العرض × ارتفاع × العمق | 300x260x140 |
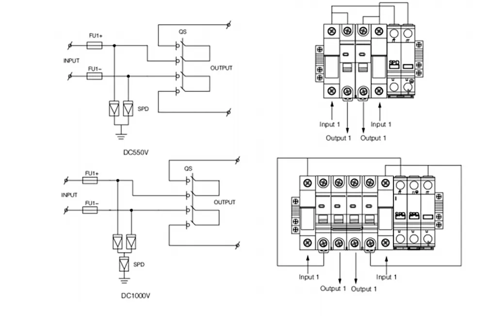
مخطط تخطيطي
هل يزيد صندوق تجميع الطاقة الشمسية من الجهد؟
صندوق تجميع الطاقة الشمسية لا يزيد من الجهد مننظام الطاقة الشمسيةماذا؟ ويتمثل دوره الرئيسي في الجمع بين التيارات من سلاسل الألواح الشمسية المتعددة، وتبسيط أسلاك النظام وتحسين كفاءته. بالنسبة لأولئك الذين يتطلعون إلى زيادة الجهد ، هناك حاجة إلى معدات إضافية مثل العاكسات أو المحولات. من خلال فهم وظيفة وفوائد مربع الموحد ، يمكن للمستخدمين تصميم وصيانة أنظمة الطاقة الشمسية الخاصة بهم بشكل أفضل.
دليل التثبيت
- إعداد:تأكد من توفر جميع المكونات والتحقق من موقع التثبيت.
- تصاعد:قم بتركيب صندوق التجميع بشكل آمن على سطح مستقر.
- الأسلاك:قم بتوصيل كابلات الإدخال الكهروضوئية بقنوات الإدخال المعينة وكابل الإخراج بقناة الإخراج.
- اختبار:بعد التثبيت ، قم بإجراء فحص شامل للتأكد من أن جميع الاتصالات آمنة وأن النظام يعمل بشكل صحيح.
أسئلة وأجوبة:
1، ما هو الغرض من مربع دس الموحد؟
يقوم صندوق دمج DC بتوحيد مدخلات ضوئية متعددة في مخرج واحد ، مما يعزز كفاءة وسلامة أنظمة الطاقة الشمسية.
2 ، هل يمكن استخدام صندوق DNHLX-PV2 الموحد في البيئات القاسية؟
نعم ، يضمن تصنيف IP65 الخاص به أنه مقاوم للماء والغبار ومقاومة للأشعة فوق البنفسجية ، وهو مناسب لمختلف الظروف البيئية.
3، هل تركيب مربع الموحد DNHLX-PV2 معقدة؟
لا ، تم تصميم الصندوق لسهولة التركيب مع الأسلاك المبسطة والتعليمات الواضحة.
المنتجات الموصى بها
اترك سؤالك
GRL شركة كهربائيةالمحدودة هي واحدة من الشركات الرائدة في سوق المتوسطة والراقية للكهرباء منخفضة الجهد في الصين.



