Backend timeout, please retry it later不支持的语种:pt_to_ar
The DNH8(HGL) series 3 pole isolator switch is specifically designed for circuits operating at AC 50Hz with a rated voltage of 400V and rated current up to 3150A. These switches are ideal for infrequently switching circuits on and off and providing reliable electrical isolation.
- Instantaneous Release Mechanism: The innovative acceleration mechanism allows for rapid switching at speeds of 13.8 m/s. This feature operates independently of the handle speed, significantly enhancing the arc-extinguishing capability.
- Durable Construction: The switch casing is made from glass fiber reinforced unsaturated polyester resin, offering excellent flame retardancy, dielectric properties, and impact resistance. This makes it suitable for various harsh environments, ensuring robust arc-extinguishing performance.
- Self-Cleaning Contacts: The parallel double breakpoint contacts feature self-cleaning mechanisms, enhancing reliability.
- Safety Features: Each contact has two separate contact faces, and a large isolation distance in the “0” position prevents misoperation. Additionally, three locks can be used simultaneously to secure the handle.
Read on what is isolator switch?
For example, the DNH8(HGL)-160A/4Z2JF11~380V model features:
-
- AC rated voltage: 380V
- Contracted heating current: 160A
- Rated current: 125A
- Four poles with outside cabinet operation and auxiliary contacts (1 normally open + 1 normally closed).
- Temperature Range: The ambient air temperature should remain between -5 °C and +40 °C, with relative humidity not exceeding 95%.
- Altitude: Installation altitude must not exceed 2000 meters.
- Environment: The switch should be used in environments free from explosive hazards and where rain or snow does not intrude.
Standards Compliance
The DNH8(HGL) series meets international and national standards:
International Standards:
-
- IEC 60947-1: Low-voltage switching equipment and control equipment part I: General
- IEC 60947-3: Low-voltage switching equipment and control equipment, switches, isolators, isolation switch, and fuse combination appliances
National Standards:
-
-
- GB/T 14048.1: Low-voltage switchgear and control equipment general provisions
- GB/T 14048.3: Low-voltage switchgear control equipment, low-voltage switches, isolators, and isolator switch and fuse combination appliances
-
3 Pole Isolator Switches DNH8(HGL) series are designed for use in a variety of applications where circuit turn-on and turn-off or electrical isolation is required. They are available in seven different models, ranging from 63A to 3150A, and feature a modular design with three and four levels (three levels + neutral level for turn-on and turn-off).
Electrical isolation switch is also equipped with a front-side window that indicates the contact’s on/off state, and a rear observation window that allows for direct observation of the contact’s on-off state.
| Rated current In (A) | 63A | 100A | 160A | 250A | 630A | ||||||||
| Contract heating current Ith (A) | 40 | 63 | 80 | 100 | 125 | 160 | 200 | 250 | 315 | 400 | 500 | 630 | |
| Rated insulation voltage Ui (V) (Installation class IV) | 690 | 690 | 1000 | 1000 | 1000 | ||||||||
| Dielectric strength (V) | 1890 | 1890 | 2200 | 2200 | 2200 | ||||||||
| Rated impulse withstand voltage Uimp kV | 8 | 8 | 12 | 12 | 12 | ||||||||
| Rated operating current le (A) | AC-21B | 40 | 63 | 80 | 100 | 125 | 160 | 200 | 250 | 315 | 400 | 500 | 630 |
| AC-22B | 40 | 63 | 80 | 100 | 125 | 160 | 200 | 250 | 315 | 400 | 500 | 630 | |
| AC-23B | 40 | 63 | 80 | 100 | 125 | 160 | 200 | 250 | 315 | 400 | 500 | 630 | |
| Motor power P (kW) | 400V | 18.5 | 25 | 40 | 40 | 63 | 80 | 100 | 132 | 160 | 220 | 280 | 315 |
| Rated short-time endurance current lcw (kA Rms) 1s | 2 | 2 | 2 | 2 | 6 | 6 | 9 | 9 | 12.6 | 12.6 | 12.6 | 12.6 | |
| Rated breaking capacity Icn (A Rms) AC-23B 400V | 320 | 504 | 640 | 800 | 1000 | 1080 | 1600 | 2000 | 2520 | 3200 | 4000 | 5040 | |
| Rated switching capacity Icm (A Rms) AC-23B 400V | 400 | 630 | 800 | 1000 | 1250 | 1600 | 2000 | 2500 | 3150 | 4000 | 5000 | 6300 | |
| Rated short-circuit switching capacity Icm (kA peak) | 2.84 | 2.84 | 2.84 | 2.84 | 9.2 | 9.2 | 15.3 | 15.3 | 25.2 | 25.2 | 25.2 | 25.2 | |
| Mechanical life 400V | 1700 | 1700 | 1700 | 1700 | 1400 | 1400 | 1400 | 1400 | 800 | 800 | 800 | 800 | |
| Electrical life 400V | 300 | 300 | 300 | 300 | 200 | 200 | 200 | 200 | 200 | 200 | 200 | 200 | |
| Operating torque (Nm) | 1.2 | 1.2 | 1.2 | 1.2 | 6.5 | 6.5 | 10 | 10 | 21 | 21 | 21 | 21 | |
| Weight (kg) | 3P | 0.4 | 0.4 | 0.55 | 0.55 | 1.2 | 1.2 | 2 | 2 | 4.4 | 4.4 | 4.9 | 4.9 |
| 4P | 0.42 | 0.42 | 0.62 | 0.62 | 1.4 | 1.4 | 2.35 | 2.35 | 5.5 | 5.5 | 6.3 | 6.3 | |
| Rated current In (A) | 1600A | 3150A | ||||||
| Contract heating current Ith (A) | 1000 | 1250 | 1600 | 2000 | 2500 | 3150 | ||
| Rated insulation voltage Ui (V) (Installation class IV) | 1000 | 1000 | ||||||
| Dielectric strength (V) | 2200 | 2200 | ||||||
| Rated impulse withstand voltage Uimp kV | 12 | 12 | ||||||
| Rated operating current le (A) | AC-21B | 1000 | 1250 | 1600 | 2000 | 2500 | 3150 | |
| AC-22B | / | / | / | / | / | / | ||
| AC-23B | / | / | / | / | / | / | ||
| Motor power P (kW) | 400V | 560 | 560 | 560 | 710 | 710 | 710 | |
| Rated short-time endurance current lcw (kA Rms) 1s | 30 | 30 | 30 | 50 | 50 | 50 | ||
| Rated breaking capacity Icn (A Rms) AC-23B 400V | 1500 | 1875 | 2400 | 3000 | 3750 | 4725 | ||
| Rated switching capacity Icm (A Rms) AC-23B 400V | 1500 | 1875 | 2400 | 3000 | 3750 | 4725 | ||
| Rated short-circuit switching capacity Icm (kA peak) | 63 | 63 | 63 | 105 | 105 | 105 | ||
| Mechanical life 400V | 500 | 500 | 500 | 500 | 500 | 500 | ||
| Electrical life 400V | 100 | 100 | 100 | 100 | 100 | 100 | ||
| Operating torque (Nm) | 37 | 37 | 37 | 50 | 50 | 50 | ||
| Weight (kg) | 3P | 13.2 | 14.6 | 15.6 | 25.5 | 25.5 | 31 | |
| 4P | 14.8 | 17.1 | 18 | 37.5 | 37.5 | 51.5 | ||
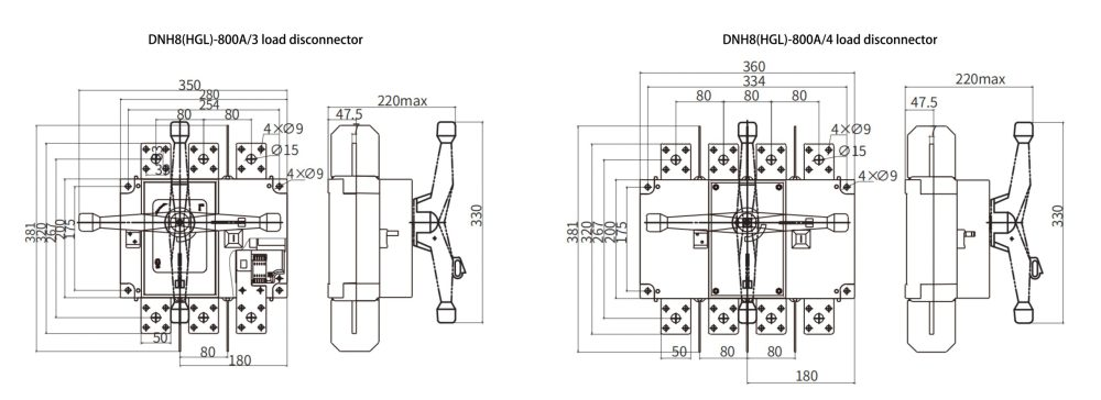
| Specifications | Overall dimension | Installation dimension | |||||||||||||||||
| In | A | B | C | D | D1 | E | φL | F | H | N | P | R | S | U | φX | Y | J | K | |
| 125A/3 | 140 | 135 | 121 | 15 | 93 | 71 | 5.5 | 50 | 10 | 75 | 36 | 20 | 25 | 115 | 9 | 24 | 120 | 65 | |
| 125A/4 | 170 | 135 | 121 | 15 | 93 | 71 | 5.5 | 50 | 10 | 75 | 36 | 20 | 25 | 115 | 9 | 24 | 150 | 65 | |
| 160A/3 | 140 | 135 | 121 | 15 | 93 | 71 | 5.5 | 50 | 10 | 75 | 36 | 20 | 25 | 115 | 9 | 24 | 120 | 65 | |
| 160A/4 | 170 | 135 | 121 | 15 | 93 | 71 | 5.5 | 50 | 10 | 75 | 36 | 20 | 25 | 115 | 9 | 24 | 150 | 65 | |
| 200A/3 | 180 | 170 | 144 | 20 | 104 | 84 | 5.5 | 79 | 15 | 105 | 50 | 25 | 30 | 140 | 11 | 25 | 160 | 90 | |
| 200A/4 | 230 | 170 | 144 | 20 | 104 | 84 | 5.5 | 79 | 15 | 105 | 50 | 25 | 30 | 140 | 11 | 25 | 210 | 90 | |
| 250A/3 | 180 | 170 | 144 | 20 | 104 | 84 | 5.5 | 79 | 15 | 105 | 50 | 25 | 30 | 140 | 11 | 25 | 160 | 90 | |
| 250A/4 | 230 | 170 | 144 | 20 | 104 | 84 | 5.5 | 79 | 15 | 105 | 50 | 25 | 30 | 140 | 11 | 25 | 210 | 90 | |
| 315A/3 | 230 | 240 | 188 | 30 | 137 | 115 | 7 | 95 | 20 | 135 | 65 | 32 | 40 | 206 | 11 | 37 | 210 | 140 | |
| 315A/4 | 290 | 240 | 188 | 30 | 137 | 115 | 7 | 95 | 20 | 135 | 65 | 32 | 40 | 206 | 11 | 37 | 270 | 140 | |
| 400A/3 | 230 | 240 | 188 | 30 | 137 | 115 | 7 | 95 | 20 | 135 | 65 | 32 | 40 | 206 | 11 | 37 | 210 | 140 | |
| 400A/4 | 290 | 240 | 188 | 30 | 137 | 115 | 7 | 95 | 20 | 135 | 65 | 32 | 40 | 206 | 11 | 37 | 270 | 140 | |
| 500A/3 | 230 | 260 | 188 | 30 | 137 | 115 | 7 | 95 | 20 | 135 | 65 | 40 | 50 | 220 | 13 | 37.5 | 210 | 140 | |
| 500A/4 | 290 | 260 | 188 | 30 | 137 | 115 | 7 | 95 | 20 | 135 | 65 | 40 | 50 | 220 | 13 | 37.5 | 270 | 140 | |
| 630A/3 | 230 | 260 | 188 | 30 | 137 | 115 | 7 | 95 | 20 | 135 | 65 | 40 | 50 | 220 | 13 | 37.5 | 210 | 140 | |
| 630A/4 | 290 | 260 | 188 | 30 | 137 | 115 | 7 | 95 | 20 | 135 | 65 | 40 | 50 | 220 | 13 | 37.5 | 270 | 140 | |
| Specifications | Overall dimension | Installation dimension | |||||||||||
| In | A | B | C | D | D1 | E | φL | F | H | N | P | J | K |
| 1000A/3 | 378 | 308 | 174 | 120 | 60 | 200 | 35 | 20 | 16.5 | 49 | 353 | 175 | |
| 1000A/4 | 493 | 310 | 235 | 120 | 60 | 200 | 35 | 20 | 16.5 | 48 | 471 | 174 | |
| 1250A/3 | 378 | 336 | 174 | 120 | 80 | 200 | 40 | 35 | 16 | 49 | 353 | 175 | |
| 1250A/4 | 493 | 338 | 235 | 120 | 80 | 200 | 40 | 35 | 16 | 48 | 471 | 174 | |
| 1600A/3 | 378 | 336 | 174 | 120 | 80 | 200 | 40 | 35 | 16 | 50 | 353 | 175 | |
| 1600A/4 | 493 | 338 | 235 | 120 | 80 | 200 | 40 | 35 | 16 | 49 | 471 | 174 | |
| 2000A/3 | 378 | 445 | 174 | 120 | 80 | 200 | 40 | 40 | 20 | 103 | 50 | 353 | 220 |
| 2000A/4 | 493 | 447 | 235 | 120 | 80 | 200 | 40 | 40 | 20 | 104 | 50 | 471 | 220 |
| 2500A/3 | 378 | 445 | 174 | 120 | 80 | 200 | 40 | 40 | 20 | 103 | 65 | 353 | 220 |
| 2500A/4 | 493 | 447 | 235 | 120 | 80 | 200 | 40 | 40 | 20 | 104 | 65 | 471 | 220 |
| 3150A/3 | 378 | 492 | 174 | 120 | 120 | 200 | 50 | 50 | 21 | 77 | 65 | 353 | 220 |
| 3150A/4 | 493 | 494 | 235 | 120 | 120 | 200 | 50 | 50 | 21 | 78 | 65 | 471 | 220 |
The DNH8(HGL) series 3 phase isolator switch provides essential functionality for electrical isolation and circuit control in various applications. Available in models ranging from 63A to 3150A, this modular design incorporates three and four levels (including a neutral level for circuit operation). Additionally, it features a front-side window for indicating the contact state and a rear observation window for easy monitoring.
If you have any questions or require further information about our isolator switches, electrical isolation switch options, or other products, please do not hesitate to contact us!
اترك سؤالك
GRL شركة كهربائيةالمحدودة هي واحدة من الشركات الرائدة في سوق المتوسطة والراقية للكهرباء منخفضة الجهد في الصين.












